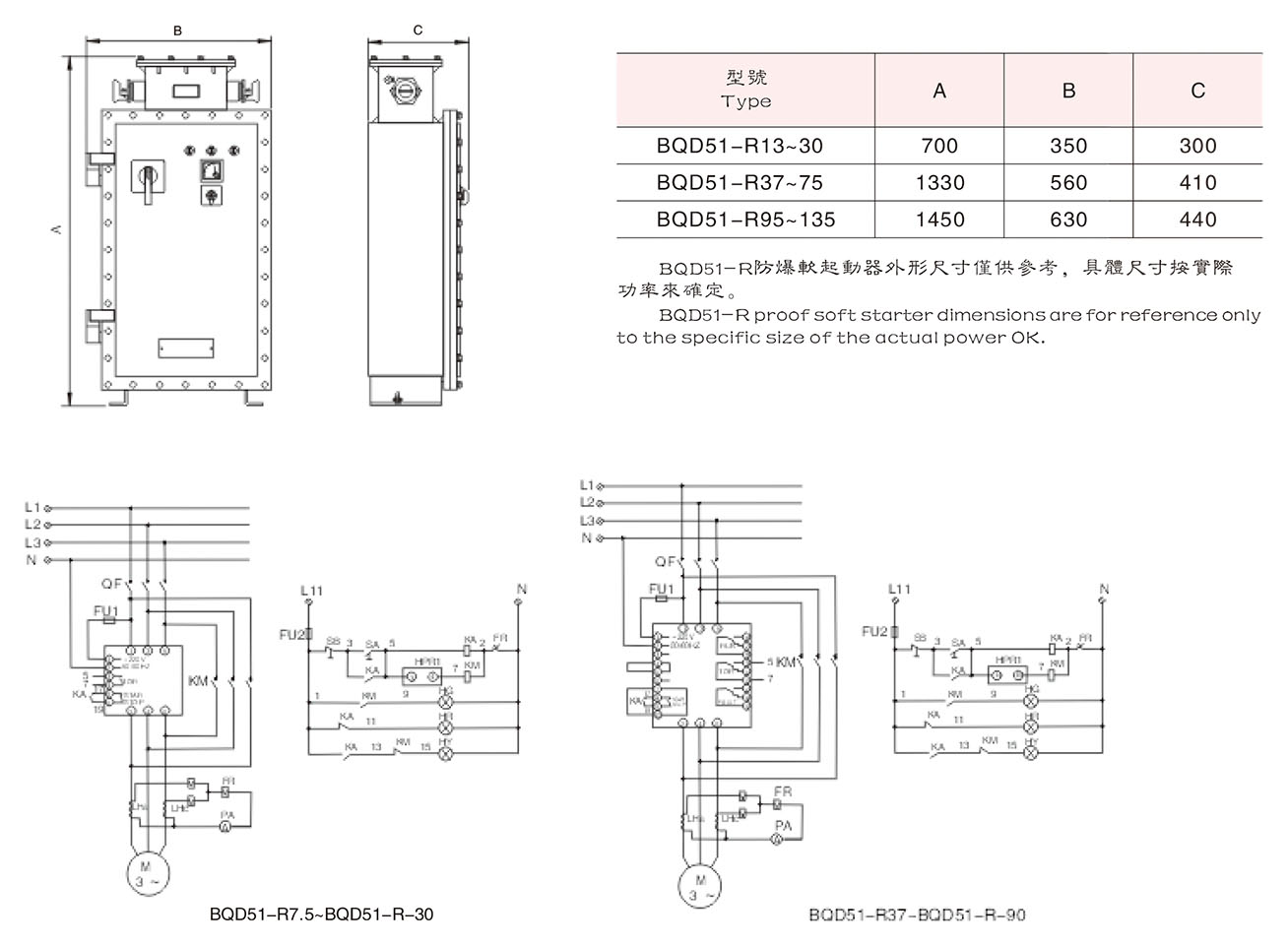
1. 鋁合金外殼或鋼板焊接.表面噴塑;
2. 內裝國內最優軟起動器(或ABB、施耐德軟起動器)、斷路器、交流接觸器、熱繼電器、轉換開關、指示燈等元件。采用無介躍平滑起動,具有短路、過壓、欠壓、過載、欠載、斷相等多種
保護功能;
3. 可根據用戶要求設計成一拖多的起動形式;
4. 鋼管或電纜布線。
上一個:BQD51-J系列防爆自耦減壓起動器(ⅡB)
下一個:BQD51-S系列防爆防腐電磁起動器(ⅡC)
BZM-S防爆防腐照明開關
查看詳情
FJX防水防塵防腐接線箱
8097系列防爆控制按鈕
BJX系列隔爆型防爆接線箱(ⅡB、ⅡC)
地址:浙江省樂清市柳市鎮前州工業區
電話:0577-62868622 62691712
傳真:0577-62868622
網址:m.outongsj.com.cn
微信 咨詢
客服 熱線
0577-62868622 客服熱線